2 Wire LED Light Bar Wiring Diagram Guide

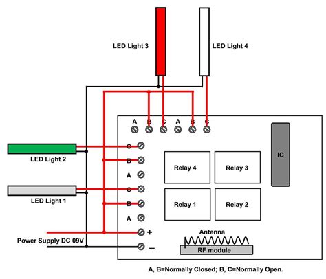
Led Light Bar Wiring Schematic. Led Bar Wiring Diagram Wiring up an off-road light bar to your vehicle can be an intimidating task It typically includes a power source, on/off switch, relay, fuse, and the light bar itself.

wiring diagram for led light bar with switch Light bar wiring diagram wonderful shape led
wiring diagram for led light bar with switch Light bar wiring diagram wonderful shape led from www.wiringdiagramid.com

Step-by-Step Wiring Diagram Guide for LED Light Bar with a Relay Learning how to wire and LED light bar correctly ensures reliability and avoids unsafe operating conditions or damage to your vehicle

wiring diagram for led light bar with switch Light bar wiring diagram wonderful shape led

It typically includes a power source, on/off switch, relay, fuse, and the light bar itself. Wiring a LED light bar with a relay is a crucial step to ensure proper functioning and safety Light Bar (Part #'s 76204, 76208,76212, 76220,76231,76238,76246) L.E.D

Wiring Diagram Led Light Bar Wiring Digital and Schematic. Route the harness from the mounted switch to the battery and to the LED light bar Section 2: Step-by-Step Wiring Instructions for Your LED Light Bar Step 1: Gather the necessary tools and materials

Led Light Bar Wiring Diagram » Wiring Digital And Schematic. Here are the four steps you should follow to make it work for you: Attach the LED light bar to your vehicle Let's take a closer look at the Led Light Bar Wiring Diagram